配件生态布局的“王者”,苹果35W双C口充电器卖399元!实用还是鸡肋?
苹果向来在充电方面比较保守,今年6月,欧盟公布了“在欧盟境内统一使用USB Type-C接口用于移动设备充电”的法规。同一天,苹果发布了35W双USB Type-C口充电器。近日已正式开售,售价高达399元。
价格一出,网友纷纷表示“这很苹果”。只不过,现在国内30W以上的充电器产品已经很成熟,苹果的35W充电器凭什么卖这么贵,又有哪些看点值得期待?另外,电子发烧友网关注到,多USB Type-C口快充充电器逐渐成为市场趋势,在苹果35W双C口充电器售价曝光之后,业内多家厂商推出35W双C口快充方案。
首个35W双C口充电器面世,苹果配件生态布局再扩大
为满足全系产品的充电需求,苹果推出了不同输出功率的充电器,覆盖15W到120W不等。在WWDC 2022开发者大会上,苹果发布了MacBook Air,35W双USB Type-C口充电器可以说是为MacBook Air而推出的充电器,这也是苹果首个双口充电器。
官方资料显示,35W双USB Type-C口充电器支持iPhone 8/iPhone 8 Plus以上机型,Apple Watch全系、iPad mini、iPad 、iPad Air、iPad Pro的部分产品等。在功率方面,单口支持35W功率输出,双口支持功率自动分配。支持5VDC/3A,9VDC/3A,15VDC/2.33A,20VDC/1.75A的模式。
国内某知名拆解网站的拆解报告显示,苹果35W双C口充电器主控芯片搭载的是PI芯片ZN1431C,协议芯片采用的是支持PD3.0协议的英飞凌CYPD4236。从解决方案来看,国内已有多款产品搭载了上述两家芯片厂商的产品,并不算是特殊的解决方案。不过业内人士指出,苹果官方充电器带有电磁屏蔽,对材料有较高要求。相反,一些采用劣质材料的65w氮化镓充电器会有很大的电流声。由此来看,这也是苹果35W双C口充电器可以将售价提高到接近400元的原因之一。
近几年,苹果一直在布局包括键盘、Watch表带、手机壳、数据线等产品为主的配件生态,而充电器就是配件生态布局的关键产品。2020年,苹果决定取消附赠买手机充电头和耳机,配件生态圈布局随之扩大。
在京东商城可以看到,单个20W的USB-C电源适配器售价为149元,而一条1米长的USB-C转闪电连接线售价为145元。电子发烧友网曾预测2022年推出的新款充电器价格必然不低,如今售价399元,也算是在意料之中。
一个能适用于全系产品的充电器才能更好的打造配件生态,因此我们也可以看到,在2021年苹果发布了首款140W氮化镓USB-C快充电源适配器,这也是全球首款支持PD 3.1协议标准的快充产品,专为MacBook Pro 2021开发,兼容多数 USB-C 充电线,并且可向下兼容给其他的苹果产品使用。
极具诱惑的是,苹果表示140W氮化镓充电器搭配USB‑C转MagSafe 3连接线可以实现给MacBook Pro 2021快速充电,约30 分钟即可从 0% 充至50% 电量。
从苹果智能手机、笔记本等智能硬件产品在消费市场的热销程度来看,苹果的配件生态布局可以说是很成功。即使产品售价高于业内竞品价格,但苹果产品的卖点就是苹果,依旧能获得消费者的青睐。
双C口充电市场再起浪潮,芯片厂商紧跟需求
只不过,在某种意义上苹果的创新是属于苹果的,因为国内30W、40W、65W等支持更大功率的氮化镓充电器相对来说都很成熟。就在2020年,市场传言苹果iPhone 13系列手机有可能会支持到33W的最大充电功率时,就有不少第三方充电器的方案商和设备商早早地准备好了33W的GaN充电器解决方案。也是在苹果宣布推出35W双C口充电器之后,国内厂商就跟上步伐,推出相关产品。
可以很明显看到,国内已有多家芯片厂商“杀入”快充市场,例如东科半导体、茂睿芯、南芯、智融、必易微、慧能泰半导体等等。作为行业内的风向标,苹果取消赠送手机充电器的决定让国内的第三方快充充电头火了一把,上述厂商也在快充市场快速成长。
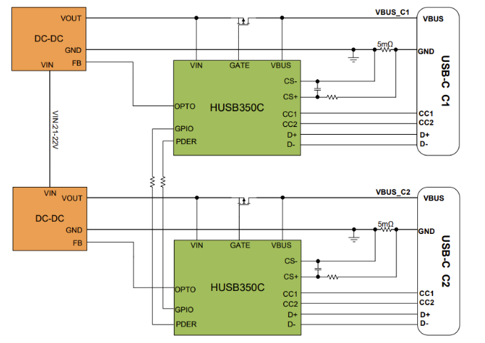
今年6月,慧能泰半导体35W双C快充解决方案,包括单口均支持35W,双口同时使用时功率可灵活配置、单口35W/20W,双口20W+5V3A等4个方案。慧能泰半导体表示,这四款四款高性能35W 双C口快充方案是基于旗下的USB Type-C PD Source控制器HUSB350C二推出的,推出了可满足大多数场景下的充电应用。
图源:慧能泰半导体
在35W双C口充电器解决方案中,智融推出SW3526芯片,通过两颗SW3526和外置MCU的相互配合,实现双口输出功率的智能控制。在快充协议方面,集成了PPS/PD/QC/AFC等多种协议,并且支持 CC/CV 模式。据了解,作为一款高集成度的多协议充电芯片,智融SW3526已用于PLUAGR创富源35W双C口快充充电器。电子发烧友网了解到,PLUAGR创富源35W双C口快充充电器还搭载了茂睿芯的氮化镓芯片MK2697。
在设备商方面,今年5 月,闪极科技推出了支持35W的氮化镓充电器——Retro 35,可为轻薄笔记本、平板、手机等设备快充。在快充协议方面,支持 PD3.0/ PPS/ QC4/ FCP/ SPC等多种协议。官方介绍,Retro 35可为iPhone 13 Pro Max 提供最高27W的快充;产品还增加了 20V 电压的充电档位,可以给轻薄笔记本供电。
另外,古石也推出了35W氮化镓双口充电器,支持5V3A / 9V3A / 12V2.92A / 15V2.33A等多种电压输出模式,与闪极科技一样可为iPhone 13 Pro Max 提供最高27W的快充,另外还能为iPad Pro提供最高33W的快充。
如今苹果已经发布了氮化镓充电器和双C口充电器,至此,终端品牌厂商集齐在快充市场,凭借各自的终端出货量和生态布局搅动着充电市场。如今,苹果已经推出了氮化镓充电器和35W双C口充电器,从终端厂商和芯片厂商的动作可以看到:氮化镓、双C口充电让无线充电市场再起新浪潮。
小结
目前,国内已有多家厂商推出35W双C口充电器,且在价格上更具优势,也有业内人士认为苹果价值399元的35W双C口充电器看点不足,且双口工作功率下降,更期待苹果有更高功率的充电器推出。当然,对于苹果的充电产品,业内向来褒贬不一,但是从配件生态布局来看,苹果确实稳稳的抓住消费心理。

0512-36805163
Contact Number:0512-36805163
Mailbox:dp-sale@drapho.com
Add: No. 555 Jindong Rd. Jinxi Town,Kunshan,Jiangsu,China